NanoCube® 6 axis piezo system; ±250 µm × ±250 µm × ±250 µm travel range (X × Y × Z); ±26.2 mrad × ±26.2 mrad × ±26.2 mrad rotation angle (θX × θY × θZ); strain gauge sensors; 2 × D-sub 37 (m); 2 m cable length
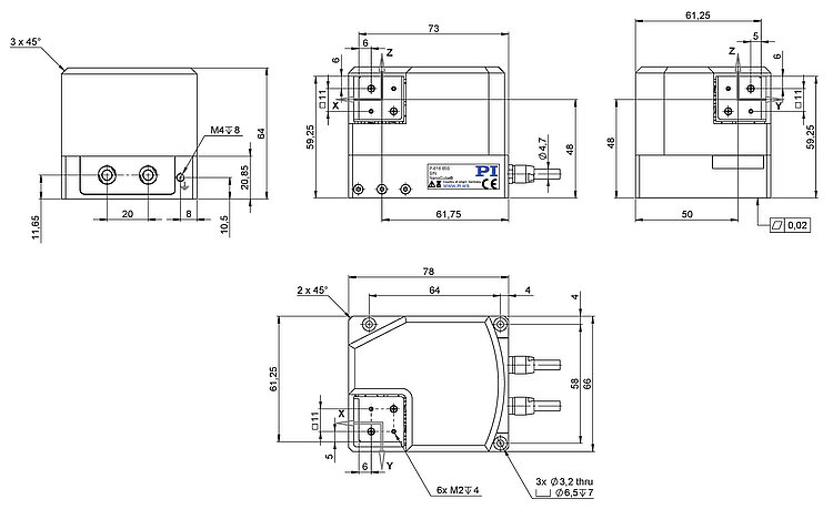
P-616.65S NanoCube® 6-Axis Piezo System
Compact Parallel-Kinematic Piezo System for Nanopositioning and Fiber Alignment
- ±250 µm travel range in X, Y, and Z
- Tip/tilt angle to ±26,2 mrad in θX, θY, θZ
- Parallel-kinematic design for the highest stiffness in all spatial directions
- Flexible mounting platform
- Freely selectable center of rotation
Application fields
- Photonics / integrated optics
- Precise fiber positioning and alignment
- Fiber-to-Fiber coupling
- Fiber-to-chip coupling
- Fiber-to-component coupling
- Fiber array alignment
Outstanding lifetime due to PICMA® piezo actuators
The patented PICMA® piezo actuators are all-ceramic insulated. This protects them against humidity and failure resulting from an increase in leakage current. PICMA® actuators offer an up to ten times longer lifetime than conventional polymer-insulated actuators. 1 billion cycles without a single failure are proven.
High guide accuracy due to zero-play flexure guides
Flexure guides are free of maintenance, friction, and wear, and do not require lubrication. Their stiffness allows high load capacity and they are insensitive to shock and vibration. They work in a wide temperature range.
High dynamics multi-axis operation due to parallel kinematics
In a parallel-kinematic multi-axis system, all actuators act on a common platform. The minimum mass inertia and the identical design of all axes allow fast, dynamic, and nevertheless precision motion.
Freely selectable center of rotation for ease of operation
The software makes this very simple: Any point in space can be chosen as the center of rotation around which the platform rotates and tilts. Freely defined, easy to command, solidly anchored in space or to the platform in case of linear displacement. The choice is yours!
Specifications
Specifications
| Motion | P-616.65S | Tolerance |
|---|---|---|
| Active axes | X ǀ Y ǀ Z ǀ θX ǀ θY ǀ θZ | |
| Travel range in X, Y, Z | 500 µm | |
| Rotation range in θX, θY, θZ | 52.4 mrad | |
| Linearity error in X, Y, Z | 0.2 % | typ. |
| Linearity error in θX, θY, θZ | 0.4 % | typ. |
| Positioning | P-616.65S | Tolerance |
| Minimum incremental motion in X, Y, Z | 0.05 µm | min. |
| Minimum incremental motion in θX, θY, θZ | 5 µrad | min. |
| Bidirectional repeatability in X, Y, Z | 40 nm | typ. |
| Bidirectional repeatability in θX, θY, θZ | 4 µrad | typ. |
| Integrated sensor | SGS, direct position measuring | |
| Drive properties | P-616.65S | Tolerance |
| Drive type | PICMA® Plus | |
| Mechanical properties | P-616.65S | Tolerance |
| Resonant frequency in X, Y, Z, unloaded | 350 Hz | ±20 % |
| Resonant frequency in X, Y, Z, under load with 30 g | 210 Hz | ±20 % |
| Resonant frequency in θX, θY, θZ, unloaded | 350 Hz | ±20 % |
| Resonant frequency in θX, θY, θZ, under load with 30 g | 210 Hz | ±20 % |
| Permissible push force in X, Y, Z | 30 N | max. |
| Permissible torque in θX, θY, θZ | 0.4 N·m | max. |
| Guide | Flexure guide with lever amplification | |
| Overall mass | 995 g | |
| Material | Aluminum, steel | |
| Miscellaneous | P-616.65S | Tolerance |
| Operating temperature range | -20 to 80 °C | |
| Connector | 2 x D-sub 37 (m) | |
| Cable length | 2 m | |
| Recommended controllers/drivers | E-713 NanoCube(R) |
The maximum travel ranges of the individual coordinates (X, Y, Z, θX, θY, θZ) are interdependent. The data for each axis shows its maximum travel range when all other axes are in the zero position of the nominal travel range and the default coordinate system is in use, or rather when the center of rotation is set to 0,0,0.
The system resolution is only limited by the noise from the amplifier and the measurement technology because PI piezo nanopositioning systems function without friction.
At PI, technical data is specified at 22 ±3 °C. Unless otherwise stated, the values are for unloaded conditions. Some properties are interdependent. The designation "typ." indicates a statistical average for a property; it does not indicate a guaranteed value for every product supplied. During the final inspection of a product, only selected properties are analyzed, not all. Please note that some product characteristics may deteriorate with increasing operating time.
Downloads
Datasheet
Documentation
User Manual P616UM0001
Ask for a free quote on quantities required, prices, and lead times or describe your desired modification.




