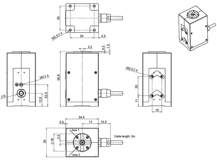
High-dynamics piezo tip/tilt platform; 35 mrad × 35 mrad rotational angle (θX × θY); SGS, direct position measuring; D-sub 37-pole (m); 2 m cable length
S-335 Piezo Tip/Tilt Platform
Beam Steering with Very Large Deflection Angles for Mirrors and Optics
- Tip/tilt angle to 35 mrad, high optical deflection angle to 70 mrad (4°)
- Resonant frequencies to 0.7 kHz (1" mirror) for dynamic motion and fast step-and-settle
- Parallel-kinematic design: Two orthogonal tip/tilt axes with one common pivot point
- Strain sensors for high linearity
- Different versions available: Without mirror, ½" mirror, 1" mirror





Application fields
- Image processing / stabilization
- Optical trapping
- Laser scanning / beam steering with large deflection angle
- Laser tuning
- Optical filters / switches
- Optics
- Beam stabilization
Outstanding lifetime thanks to PICMA® piezo actuators
The PICMA® piezo actuators are all-ceramic insulated. This protects them against humidity and failure resulting from an increase in leakage current. PICMA® actuators offer an up to ten times longer lifetime than conventional polymer-insulated actuators. 100 billion cycles without a single failure are proven.
High guiding accuracy due to zero-play flexure guides
Flexure guides are free of maintenance, friction, and wear, and do not require lubrication. Their stiffness allows high load capacity and they are insensitive to shock and vibration. They work in a wide temperature range.
High dynamics multi-axis operation due to parallel kinematics
In a parallel-kinematic multi-axis system, all actuators act on a common platform. The minimum mass inertia and the identical design of all axes allow fast, dynamic, and nevertheless precision motion.
Specifications
Specifications
| Motion | S-335.2SH | S-335.2SHM1 | S-335.2SHM2 | Tolerance |
|---|---|---|---|---|
| Active axes | θX ǀ θY | θX ǀ θY | θX ǀ θY | |
| Rotation range in θX | 35 mrad | 35 mrad | 35 mrad | |
| Rotation range in θY | 35 mrad | 35 mrad | 35 mrad | |
| Linearity error in θX, unidirectional | 0.05 % | 0.05 % | 0.05 % | typ. |
| Linearity error in θY, unidirectional | 0.05 % | 0.05 % | 0.05 % | typ. |
| Positioning | S-335.2SH | S-335.2SHM1 | S-335.2SHM2 | Tolerance |
| Bidirectional repeatability in θX | 1 µrad | 1 µrad | 1 µrad | typ. |
| Bidirectional repeatability in θY | 1 µrad | 1 µrad | 1 µrad | typ. |
| Resolution in θX, open loop | 0.1 µrad | 0.1 µrad | 0.1 µrad | typ. |
| Resolution in θY, open loop | 0.1 µrad | 0.1 µrad | 0.1 µrad | typ. |
| Integrated sensor | SGS, direct position measuring | SGS, direct position measuring | SGS, direct position measuring | |
| System resolution in θX | 1 µrad | 1 µrad | 1 µrad | |
| System resolution in θY | 1 µrad | 1 µrad | 1 µrad | |
| Drive Properties | S-335.2SH | S-335.2SHM1 | S-335.2SHM2 | Tolerance |
| Drive type | PICMA® | PICMA® | PICMA® | |
| Electrical capacitance in θX | 6.2 µF | 6.2 µF | 6.2 µF | ±20 % |
| Electrical capacitance in θY | 6.2 µF | 6.2 µF | 6.2 µF | ±20 % |
| Mechanical Properties | S-335.2SH | S-335.2SHM1 | S-335.2SHM2 | Tolerance |
| Resonant frequency in θX, unloaded | 2 kHz | — | — | ±20 % |
| Resonant frequency in θY, under load with glass mirror (Ø 12.5 mm; thickness 3 mm) | 1.6 kHz | 1.6 kHz | — | ±20 % |
| Resonant frequency in θY, under load with glass mirror (Ø 25,4 mm; thickness 4 mm) | 0.7 kHz | — | 0.7 kHz | ±20 % |
| Resonant frequency in θY, unloaded | 2 kHz | — | — | ±20 % |
| Resonant frequency in θY, under load with glass mirror (Ø 12.5 mm; thickness 3 mm) | 1.6 kHz | 1.6 kHz | — | ±20 % |
| Resonant frequency in θY, under load with glass mirror (Ø 25,4 mm; thickness 4 mm) | 0.7 kHz | — | 0.7 kHz | ±20 % |
| Distance of pivot point to platform surface | 3.3 mm | 3.3 mm | 3.3 mm | ±0,25 mm |
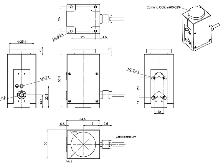
| Overall mass | 320 g | 325 g | 330 g | ±5 % |
| Material | Platform and base body: titanium. Housing cover: aluminum. | Platform and base body: titanium. Housing cover: aluminum. | Platform and base body: titanium. Housing cover: aluminum. | |
| Miscellaneous | S-335.2SH | S-335.2SHM1 | S-335.2SHM2 | Tolerance |
| Operating temperature range | -20 to 80 °C | -20 to 80 °C | -20 to 80 °C | |
| Connector | D-sub 37 (m) | D-sub 37 (m) | D-sub 37 (m) | |
| Cable length | 2 m | 2 m | 2 m | +100 / -0 mm |
| Recommended controllers / drivers | E-727 | E-727 | E-727 |
S-335.2SH: Version without mirror
S-335.2SHM1: Version with mirror Ø 12.5 mm
S-335.2SHM2: Version with mirror Ø 25.4 mm
Rotation range in θX / θY: Quasistatic motion at 0 to 120 V.
The resolution of the system is limited only by the noise of the amplifier and the measuring technology because PI piezo nanopositioning systems are free of friction.
At PI, technical data is specified at 22 ±3 °C. Unless otherwise stated, the values are for unloaded conditions. Some properties are interdependent. The designation "typ." indicates a statistical average for a property; it does not indicate a guaranteed value for every product supplied. During the final inspection of a product, only selected properties are analyzed, not all. Please note that some product characteristics may deteriorate with increasing operating time.
Downloads
Product Note
Product Change Notification Piezo Actuator Driven Products
Datasheet
Documentation
User Manual PZ276
S-335.2SH High-Dynamics Tip/Tilt Platform
3D Models
S-335 3D-Model
Ask for a free quote on quantities required, prices, and lead times or describe your desired modification.
High-dynamics piezo tip/tilt platform; 35 mrad × 35 mrad rotational angle (θX × θY); SGS, direct position measuring; D-sub 37-pole (m); 2 m cable length; incl. mirror Ø 12.5 mm
High-dynamics piezo tip/tilt platform; 35 mrad × 35 mrad rotational angle (θX × θY); SGS, direct position measuring; D-sub 37-pole (m); 2 m cable length; incl. mirror Ø 25.4 mm
How to Get a Quote
Ask an engineer!
Quickly receive an answer to your question by email or phone from a local PI sales engineer.
Technology

PICMA® Technology
Highly reliable and extended lifetime through the patented manufacturing process for multilayer actuators.

Flexure Guiding Systems
Flexure guides from PI have proven their worth in nanopositioning. They guide the piezo actuator and ensure a straight motion without tilting or lateral offset.

Digital Motion Controllers
Digital technology opens up possibilities for improving performance in control engineering which do not exist with conventional analog technology.

Piezo Positioning Systems with Parallel Kinematics
In a parallel-kinematic, multi-axis system, all actuators act directly on a single moving platform.












