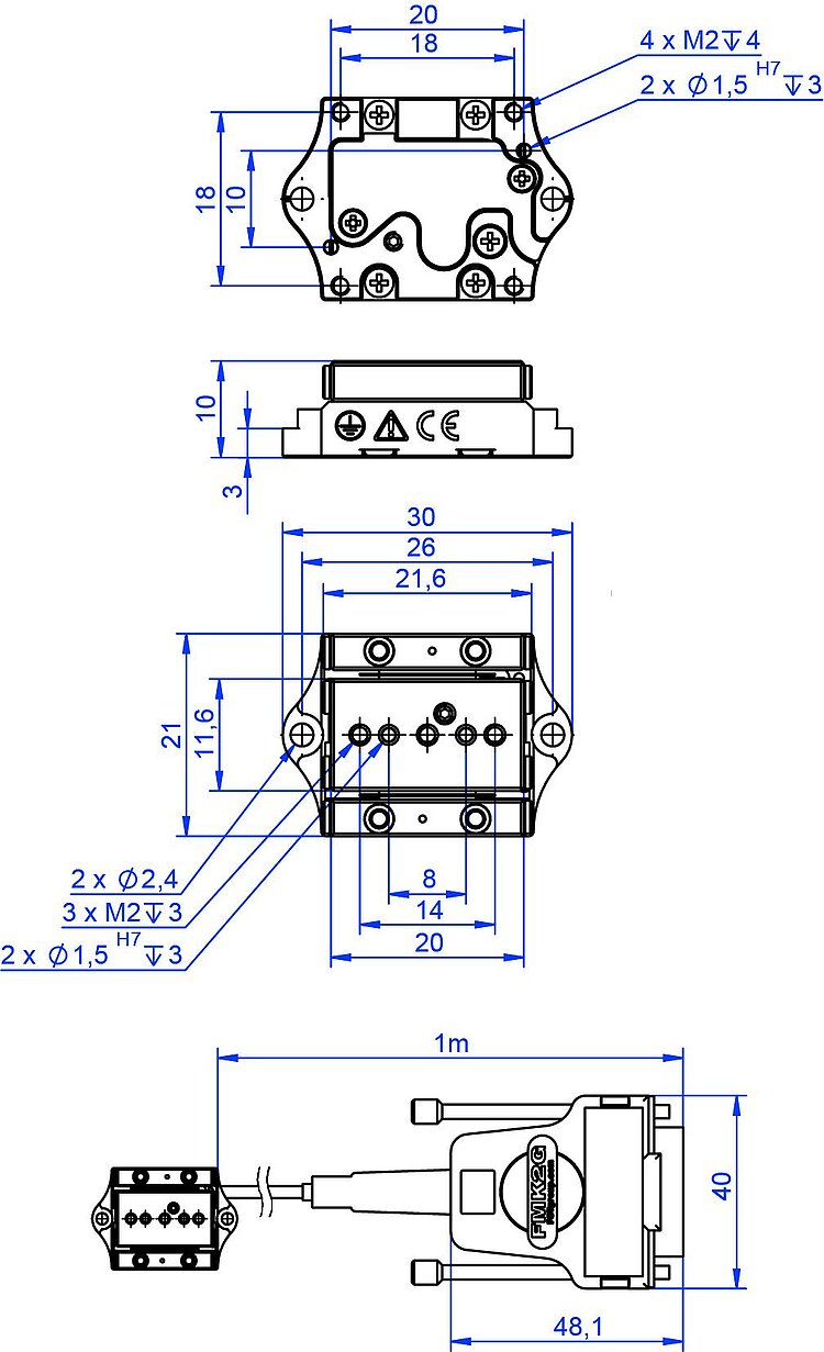
Q-Motion® miniature linear stage, piezoelectric inertia drive, 12 mm travel range, linear encoder, 4 nm resolution, 0.6 N drive force, dimensions 21 × 30 × 10 mm (W × L × H)
Q-521 Q‑Motion® Miniature Linear Stage
Smallest Linear Stage with Position Control, High Resolution and Affordable Price
- Only 21 mm in width and 10 mm in height
- Direct position measurement with integrated incremental encoder
- Encoder resolution up to 1 nm
- Minimum incremental motion down to 30 nm
- Multi-axis system setups with adapter plate or bracket (available as an option)
Piezoelectric inertia drive
Piezo inertia drives are space-saving and affordable piezo-based drives with relatively high holding forces and a virtually unlimited travel range. The inertia drive principle is based on a single piezoelectric actuator that is controlled with a modified sawtooth voltage provided by special drive electronics. The actuator expands slowly and moves the runner. Due to its inertia, the runner is unable to follow the subsequent fast contraction of the actuator and remains at its position. The drives acting directly on the runner achieve velocities of max. 6 mm/s with an operating frequency of up to 20 kHz.
Direct-measuring principle
The linear stages are equipped with a noncontact measuring optical linear encoder and a reference switch. Resolution 4 nm or 1 nm, depending on the version.
Application fields
Microassembly. Photonics. Optical alignment. Microscopy. Beamline instrumentation. Semiconductor technology. Testing applications.
Specifications
Specifications
| Motion | Q-521.130 | Q-521.140 | Q-521.230 | Q-521.240 | Q-521.330 | Q-521.340 | Tolerance |
|---|---|---|---|---|---|---|---|
| Active axes | X | X | X | X | X | X | |
| Travel range in X | 12 mm | 12 mm | 22 mm | 22 mm | 32 mm | 32 mm | |
| Maximum velocity in X, unloaded | 6 mm/s | 6 mm/s | 6 mm/s | 6 mm/s | 6 mm/s | 6 mm/s | typ. |
| Linearity in X | 3.5 µm | 3.5 µm | 3.5 µm | 3.5 µm | 3.5 µm | 3.5 µm | typ. |
| Positioning | Q-521.130 | Q-521.140 | Q-521.230 | Q-521.240 | Q-521.330 | Q-521.340 | Tolerance |
| Minimum incremental motion in X | 50 nm | 30 nm | 50 nm | 30 nm | 50 nm | 30 nm | typ. |
| Reference switch | Optical | Optical | Optical | Optical | Optical | Optical | |
| Integrated sensor | Incremental linear encoder | Incremental linear encoder | Incremental linear encoder | Incremental linear encoder | Incremental linear encoder | Incremental linear encoder | |
| Sensor signal | Sin/cos, 1 V peak-peak | Sin/cos, 1 V peak-peak | Sin/cos, 1 V peak-peak | Sin/cos, 1 V peak-peak | Sin/cos, 1 V peak-peak | Sin/cos, 1 V peak-peak | |
| Sensor resolution | 4 nm | 1 nm | 4 nm | 1 nm | 4 nm | 1 nm | |
| Drive Properties | Q-521.130 | Q-521.140 | Q-521.230 | Q-521.240 | Q-521.330 | Q-521.340 | Tolerance |
| Drive type | Q-Motion® piezo motor | Q-Motion® piezo motor | Q-Motion® piezo motor | Q-Motion® piezo motor | Q-Motion® piezo motor | Q-Motion® piezo motor | |
| Drive force in positive direction of motion in X | 0.6 N | 0.6 N | 0.6 N | 0.6 N | 0.6 N | 0.6 N | typ. |
| Drive force in negative direction of motion in X | 0.6 N | 0.6 N | 0.6 N | 0.6 N | 0.6 N | 0.6 N | typ. |
| Mechanical Properties | Q-521.130 | Q-521.140 | Q-521.230 | Q-521.240 | Q-521.330 | Q-521.340 | Tolerance |
| Holding force in X, passive | 1.3 N | 1.3 N | 1.3 N | 1.3 N | 1.3 N | 1.3 N | typ. |
| Maximum load capacity, base plate in any orientation | 0.06 kg | 0.06 kg | 0.06 kg | 0.06 kg | 0.06 kg | 0.06 kg | |
| Maximum load capacity, base plate horizontal | 0.3 kg | 0.3 kg | 0.3 kg | 0.3 kg | 0.3 kg | 0.3 kg | |
| Guide | Crossed roller guide | Crossed roller guide | Crossed roller guide | Crossed roller guide | Crossed roller guide | Crossed roller guide | |
| Overall mass | 110 g | 110 g | 126 g | 126 g | 135 g | 135 g | |
| Mass without cable | 24 g | 24 g | 34 g | 34 g | 48 g | 48 g | |
| Material | Stainless steel | Stainless steel | Stainless steel | Stainless steel | Stainless steel | Stainless steel | |
| Miscellaneous | Q-521.130 | Q-521.140 | Q-521.230 | Q-521.240 | Q-521.330 | Q-521.340 | Tolerance |
| Operating temperature range | 0 to 40 °C | 0 to 40 °C | 0 to 40 °C | 0 to 40 °C | 0 to 40 °C | 0 to 40 °C | |
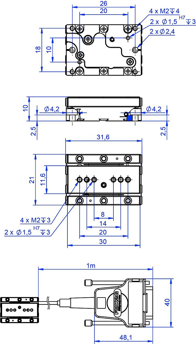
| Connector | D-sub 15 (m) | D-sub 15 (m) | D-sub 15 (m) | D-sub 15 (m) | D-sub 15 (m) | D-sub 15 (m) | |
| Cable length | 1 m | 1 m | 1 m | 1 m | 1 m | 1 m | |
| Recommended controllers / drivers | E-873.1AT, E-873.10C885 | E-873.1AT, E-873.10C885 | E-873.1AT, E-873.10C885 | E-873.1AT, E-873.10C885 | E-873.1AT, E-873.10C885 | E-873.1AT, E-873.10C885 |
At PI, technical data is specified at 22 ±3 °C. Unless otherwise stated, the values are for unloaded conditions. Some properties are interdependent. The designation "typ." indicates a statistical average for a property; it does not indicate a guaranteed value for every product supplied. During the final inspection of a product, only selected properties are analyzed, not all. Please note that some product characteristics may deteriorate with increasing operating time.
Downloads
Product Note
Product Change Notification Q-xxx; N-765
Datasheet
Documentation
User Manual MP145
Q-521 Q-Motion Miniature Linear Positioning Stage, Piezoelectric Inertia Drive
3D Models
Q-521 3-D model
Ask for a free quote on quantities required, prices, and lead times or describe your desired modification.
Q-Motion® miniature linear stage, piezoelectric inertia drive, 12 mm travel range, linear encoder, 1 nm resolution, 0.6 N drive force, dimensions 21 × 30 × 10 mm (W × L × H)
Q-Motion® miniature linear stage, piezoelectric inertia drive, 22 mm travel range, linear encoder, 4 nm resolution, 0.6 N drive force, dimensions 21 × 32 × 10 mm (W × L × H)
Q-Motion® miniature linear stage, piezoelectric inertia drive, 22 mm travel range, linear encoder, 1 nm resolution, 0.6 N drive force, dimensions 21 × 32 × 10 mm (W × L × H)
Q-Motion® miniature linear stage, piezoelectric inertia drive, 32 mm travel range, linear encoder, 4 nm resolution, 0.6 N drive force, dimensions 21 × 42 × 10 mm (W × L × H)
Q-Motion® miniature linear stage, piezoelectric inertia drive, 32 mm travel range, linear encoder, 1 nm resolution, 0.6 N drive force, dimensions 21 × 42 × 10 mm (W × L × H)
How to Get a Quote
Ask an engineer!
Quickly receive an answer to your question by email or phone from a local PI sales engineer.














