Compact rotation stage; DC gear motor; 360° rotational angle; 20 N load capacity; 7 °/s maximum angular velocity; incremental rotary encoder, 2048 cts./rev. sensor resolution, A/B quadrature, RS-422
RS-40 Compact Rotation Stage
Precision Positioning
- Unlimited travel range
- Repeatability to 87 µrad
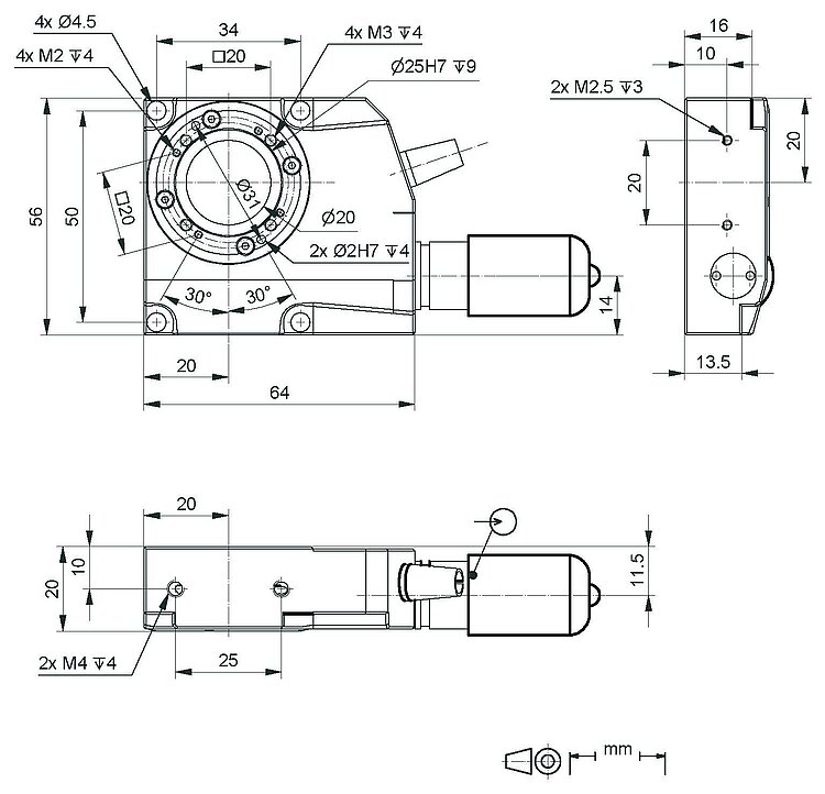
- 20 mm Ø aperture
- Reference switch
- Vacuum-compatible variants available





RS-40 Compact Rotation Stage
Product Description
Specifications
Downloads
Quote / Order
Standard-class rotation stage
Worm drive. Aperture with 20 mm Ø. Reference switch.
Versions
- DC motor with gearhead, rotary encoder on the motor shaft
- Stepper motor with gearhead
- Vacuum versions available on request
Application fields
Precision microassembly, research, automation, vacuum
Specifications
Specifications
| Motion | 321691001-0000 | 321692001 | Tolerance |
|---|---|---|---|
| Active axes | θZ | θZ | |
| Rotation range in θZ | 360 ° | 360 ° | |
| Maximum angular velocity in θZ, unloaded | 7 °/s | 5 °/s | |
| Linear crosstalk in X with motion in θZ | ± 5 µm | ± 5 µm | typ. |
| Linear crosstalk in Y with motion in θZ | ± 5 µm | ± 5 µm | typ. |
| Linear crosstalk in Z with motion in θZ | ± 5 µm | ± 5 µm | typ. |
| Rotational crosstalk in θX with motion in θZ | ± 35 µrad | ± 35 µrad | typ. |
| Rotational crosstalk in θY with motion in θZ | ± 35 µrad | ± 35 µrad | typ. |
| Positioning | 321691001-0000 | 321692001 | Tolerance |
| Minimum incremental motion in θZ | 87 µrad | 87 µrad | typ. |
| Unidirectional repeatability in θZ | ± 43.5 µrad | ± 43.5 µrad | typ. |
| Bidirectional repeatability in θZ | 1400 µrad | 1400 µrad | typ. |
| Reference switch | Hall effect, N/C contact, 3.8 V to 24 V, NPN | Hall effect, N/C contact, 3.8 V to 24 V, NPN | |
| Integrated sensor | Incremental rotary encoder | ||
| Sensor signal | A/B quadrature, RS-422 | ||
| Sensor resolution | 2048 Cts./rev. | ||
| Drive Properties | 321691001-0000 | 321692001 | Tolerance |
| Drive type | DC gear motor | 2-phase stepper motor with gearhead | |
| Operating voltage | 24 V | <38 V | |
| Nominal current, RMS | 0.04 A | 0.25 A | typ. |
| Peak current, RMS | 0.16 A | typ. | |
| Drive torque in θZ | 0.2 N·m | 0.2 N·m | |
| Torque constant | 0.0083 N·m/A | typ. | |
| Time constant | 35 ms | ||
| Resistance phase-phase | 60 Ω | 12.5 Ω | typ. |
| Inductance phase-phase | 0.4 mH | 6.3 mH | |
| Motor resolution | 24 Full steps/rev. | ||
| Back EMF, phase-phase, rotational | 4.4 V/kRPM | max. | |
| Mechanical Properties | 321691001-0000 | 321692001 | Tolerance |
| Stiffness in θX | 270 N·m/µrad | 270 N·m/µrad | |
| Permissible push force in X | 10 N | 5 N | max. |
| Permissible push force in Y | 10 N | 5 N | max. |
| Permissible push force in Z | 20 N | 10 N | max. |
| Permissible torque in θx | 2 N·m | 1 N·m | max. |
| Permissible torque in θY | 2 N·m | 1 N·m | max. |
| Holding torque in θZ, passive | 0.2 N·m | 0.2 N·m | |
| Moment of inertia in θZ, unloaded | 15.5 kg·mm² | 15.5 kg·mm² | ±20 % |
| Moved mass in Z, unloaded | 90 g | 90 g | |
| Gear ratio i | 76 : 1 | 76 : 1 | |
| Worm gear reduction | 90 : 1 | 90 : 1 | |
| Bearing type | Ball bearings | Ball bearings | |
| Overall mass | 400 g | 400 g | |
| Material | Aluminum | Aluminum | |
| Miscellaneous | 321691001-0000 | 321692001 | Tolerance |
| Operating temperature range | 5 to 40 °C | 5 to 40 °C | |
| Connector | D-sub 15-pin (m) | HD D-sub 15-pin (m) | |
| Recommended controllers / drivers | C-863 C-885 with C-863.20C885 C-884 ACS modular controller | C-663 C-885 with C-663.12C885 ACS modular controller |
Downloads
Datasheet
Documentation
Documentation
User Manual RS-40
Compact Rotation Stage
Version / Date
2022-05-03
pdf - 655 KB
Version / Date
2022-05-03
pdf - 567 KB
3D Models
3D Models
RS-40 3-D model
zip - 615 KB
Separate connection cable required for motor and sensor connection respectively.
Quote / Order
Ask for a free quote on quantities required, prices, and lead times or describe your desired modification.
321691001-0000
321692001
Compact rotation stage; 2-phase stepper motor with gearhead; 360° rotational angle; 10 N load capacity; 5 °/s maximum angular velocity
How to Get a Quote
Ask an engineer!
Quickly receive an answer to your question by email or phone from a local PI sales engineer.
Compatible Electronics
Compatible Accessories
Related Products















